Форсунка гидромассажная 7-12 м3/ч короткая Xenozone, AISI-304 (ФГк.07)

Форсунка гидромассажная 7-12 м3/ч короткая Xenozone, AISI-304 (ФГк.07)
17 337 р

Артикул: ФГк.07

Код продукта: 00-00005978

Производитель: XENOZONE (Россия)

Доставка в течении 1-3 дней
Доставка по Москве от 600р
Доставка в регионы



Описание товара


Гидромассажные форсунки модели ФГк.07 производства Xenozone – это форсунки с укороченной закладной частью, особенно актуальные для небольших бассейнов и купелей, где место для монтажа ограничено. Эта модель очень популярна и востребована у строителей, так как дает больше пространства для монтажа и разводки труб.

Технические характеристики

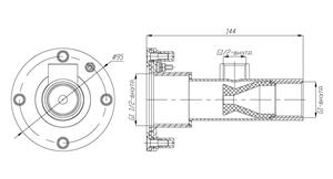
  • Рекомендуемый расход воды: 7-12 м3
  • Диаметр лицевой панели: 95 мм
  • Отделка бассейна: плитка (мозаика)/пленка (лайнер)
  • Количество уплотнительных прокладок: 2 шт
  • Подсоединение водной магистрали: 1 дюйм (внутренняя резьба)
  • Подключение воздуха: 1 дюйм (внутренняя резьба)
  • Материал изготовления: нержавеющая сталь AISI-304
  • Отделка лицевой панели: зеркальная полировка

Важно! Лицевая панель ФП.091.8 в комплект не входит и поставляется отдельно.

Особенности конструкции

Корпус форсунки гидромассажа изготовлен из нержавеющей стали AISI-304, обеспечивающей долговечность эксплуатации и стойкость к коррозии. Универсальность конструкции позволяет устанавливать их в бассейны с любым видом отделки бассейна: плиткой, пленкой или мозаикой.

Благодаря специально спроектированной системе эжекции, гидромассажные форсунки ФГк.07 обеспечивают мощный массажный эффект. Ключевой компонент – эжектор, изготовлен с применением технологии 3D-печати из ударопрочного ABS-пластика. Он отвечает за создание струи гидромассажа, засасывая воздух в поток воды.

Комплектация и особенности установки

Форсунка гидромассажа производительностью 7-12 м3/ч (арт. ФГк.07) имеет короткую закладную с резьбовым подсоединением 1 дюйм. Лицевая панель (покупается отдельно) имеет резьбу 1 ½ дюйма и устанавливается на закладной части, закручиваясь по резьбе. Высококачественные уплотнения гарантируют герметичность изделия. Более подробную схему можно посмотреть в Техническом паспорте изделия.

Мы рекомендуем придерживаться рекомендованного расхода воды, так как недостаточная производительность насоса может привести к ухудшению работы системы эжекции и снижению подмеса воздуха.

Форсунки производительностью 7-12 м3/час чаще всего устанавливаются попарно комплектом в 2, 4 или 6 устройств для эффективного массажа шейной зоны или спины. Также возможна установка одиночной форсунки – для направленного точечного воздействия.

Мы НЕ рекомендуем использование оборудования из нержавеющей стали AISI-304 в бассейнах с морской водой естественного или искусственного происхождения, а также там, где для дезинфекции используется метод электролиза/гидролиза.

Форсунки гидромассажа Ксенозон не подходят для установки в акриловых ваннах, душах и подобных конструкциях.

Модель Xenozone ФГк.07
Материал корпуса Нержавеющая сталь AISI 304
Рекомендуемый расход воды (м3/час) 7-12

Пока нет отзывов о товаре.


Новый отзыв

Рейтинг: *
Имя: *
E-mail:
Достоинства:
Недостатки:
Комментарий: