Противоток 50 м3/час Xenozone с одним соплом и пьезокнопкой, AISI-304 (ПТ.50.1)

Противоток 50 м3/час Xenozone с одним соплом и пьезокнопкой, AISI-304 (ПТ.50.1)
96 040 р

Артикул: ПТ.50.1

Код продукта: 00-00006024

Производитель: XENOZONE (Россия)

Доставка в течении 1-3 дней
Доставка по Москве от 600р
Доставка в регионы



Описание товара


Встраиваемые противотоки с одним нагнетающим соплом создают встречный поток воды, который позволяет купающимся плыть без продвижения вперед даже в бассейнах небольшой длины. Противотоки производительностью 50 м3/час пригодны для любительских тренировок по плаванию низкой и средней интенсивности, для более активных тренировок рекомендуем выбирать модели с большей производительностью.

В комплект поставки входит закладная деталь с лицевой панелью и встроенной пьезокнопкой (циркуляционный насос, блок управления и трубопроводная арматура, необходимые для оснащения узла противотока, в комплект не входят и приобретаются отдельно). Противоток имеет универсальное исполнение и может устанавливаться в бассейнах с любым видом отделки.

Основные технические характеристики

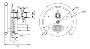
  • Общие габариты противотока вместе с поручнем: 386x266 мм
  • Диаметр лицевой панели: 299 мм
  • Габаритные размеры закладной части: 255х192 мм
  • Рекомендуемый расход воды: до 50 м3/час
  • Материал изготовления: нержавеющая сталь AISI 304

Особенности конструкции

  • Количество сопел подачи воды: 1
  • Сопло поворотное, имеет возможность небольшой регулировки направления потока
  • Устройство включения/выключения: пьезокнопка
  • Вывод кабеля пьезокнопки: 1/2" (наружняя резьба)
  • Присоединение водной магистрали: 2" (наружная резьба)
  • Присоединение трубки регулятора подмеса воздуха: 1/2" (внутренняя резьба)
  • Совместимые виды отделки стенок бассейна: плитка, пленка, мозаика.

Основным отличием данной модели является её комплектация пьезокнопкой с LED подсветкой. С её помощью можно не только управлять включением и выключением устройства, но и переключать заранее заданные режимы работы. Для этого кнопка должна быть подключена к специальному блоку управления (в комплект поставки не входит, приобретается отдельно).

Пьезокнопки управления водными аттракционами современнее и технологичнее применяемых в других моделях противотоков пневмокнопок. Последние имеют ограничение по удалению от блока управления аттракционом и при слишком длинной пневматической магистрали сигнал может слабеть и не достигать управляющего устройства. Пьезокнопки этого недостатка не имеют. Кроме того, пьезокнопки имеют световую индикацию режимов работы, благодаря чему видны под водой и в целом более визуально привлекательны.

Порядок монтажа и эксплуатации

Так как противотоки являются встраиваемым оборудованием, их покупку и монтаж следует запланировать до начала работ по строительству бассейна. Противоток имеет универсальное исполнение и может устанавливаться в бассейнах с любым видом отделки, в том числе композитных, при наличии достаточного по площади участка прямой формы для размещения закладной части.

Для наилучшей работы противотоки следует устанавливать таким образом, чтобы расстояние от центров выпускных сопел до зеркала воды составляло 150-250 мм (максимально - до 400 мм).

Постоянный контакт с химически активной средой может отрицательно сказаться на внешнем виде и функциональности деталей из нержавеющей стали. В связи с этим эксплуатация противотоков XENOZONE из нержавеющей стали AISI 304 не рекомендуется в бассейнах с морской водой (как естественного, так и искусственного происхождения), а также в случаях обеззараживания водной среды при помощи солевых электролизеров.

Модель Xenozone ПТ.50.1
Тип оборудования Лицевая панель с закладной
Материал корпуса Нержавеющая сталь AISI-304
Форма Круглая
Количество сопел подачи воды (шт) 1
Пропускная способность (м3/час) 50
Устройство включения/выключения Пьезокнопка
Подсоединение НР 2"

Пока нет отзывов о товаре.


Новый отзыв

Рейтинг: *
Имя: *
E-mail:
Достоинства:
Недостатки:
Комментарий: